欢迎来到深圳市午夜家庭影院电子有限公司官网!
成人午夜影视

16年专注电子元器件代理服务商销售成人午夜网站、午夜视频污在线观看、成人午夜影视等产品遍布全球130个国家地区

咨询热线138-2353-9691(微信同号)午夜视频污在线观看
关注午夜家庭影院,获取电子元器件新资讯
您的位置: 网站首页 > 行业资讯 > 扬杰DGW25N120CTL IGBT模块:引领高性能能源转换技术的先锋

扬杰DGW25N120CTL IGBT模块:引领高性能能源转换技术的先锋

发布时间:2023-08-09 14:55:52
信息摘要:
在现代工业领域中,高性能能源转换技术的应用变得日益重要。作为能源转换的关键部件之一,IGBT(绝缘栅双极性晶体管)模块在许多领域中扮演着至关重要的角色。

  在现代工业领域中,高性能能源转换技术的应用变得日益重要。作为能源转换的关键部件之一,IGBT(绝缘栅双极性晶体管)模块在许多领域中扮演着至关重要的角色。

扬杰DGW25N120CTL IGBT模块:引领高性能能源转换技术的先锋

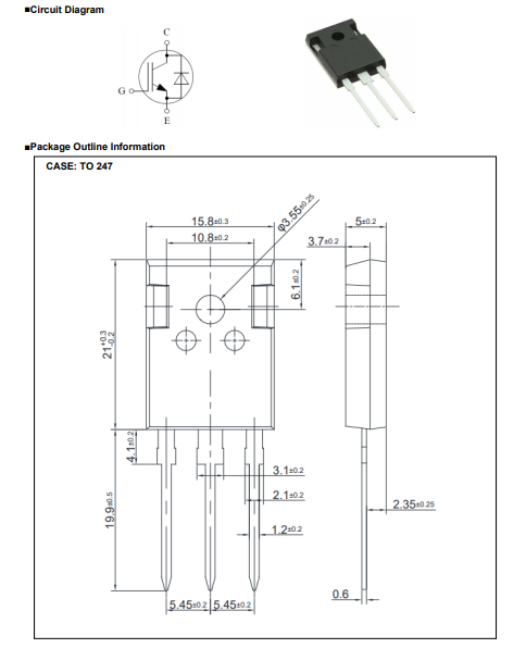
   一、扬杰DGW25N120CTL IGBT模块规格参数

  产品类型:IGBT模块

  产品型号:DGW25N120CTL

  产品描述:1200V 25A

  产品封装:TO-247

  产品品牌:扬杰

  反向重复峰值电压VRRM:1200V

  正向平均电流IF:25A

  饱和压降 VCE:1.85V

  工作温度范围:-40℃~+175℃


       二、扬杰DGW25N120CTL IGBT模块规格书


1

2

  三、扬杰DGW25N120CTL IGBT模块的突出特点

  1、高性能:扬杰DGW25N120CTL采用先进的集成封装技术,具有较低的导通电阻和开关损耗,从而显著提高了能源转换的效率。它能够在高温和高电压环境下稳定工作,确保电力系统的可靠性和稳定性。

  2、高集成度:该模块采用了先进的散热设计和优化的布局,实现了更高的集成度和紧凑的尺寸。这使得扬杰DGW25N120CTL能够在有限的空间内实现更高的功率密度,满足不同应用场景对于空间的限制需求。

  3、先进的保护功能:为了确保电力系统的安全运行,DGW25N120CTL模块集成了多种保护功能,如过温保护、过电流保护、过电压保护以及短路保护等。这些保护功能能够有效地保护模块及周边电路免受潜在风险的影响。

  4、可靠性高:扬杰DGW25N120CTL模块经过严格的质量控制和可靠性测试,具有出色的持久性和可靠性。它可以在恶劣的工作环境中保持高效的工作,降低了用户维护和更换的成本。


     四、扬杰DGW25N120CTL IGBT模块的应用领域

  1、工业自动化:在工业自动化控制系统中,扬杰DGW25N120CTL模块可用于各种电机驱动和传动装置,提供高效、稳定的能源转换。其高性能和可靠性使其在自动化生产线以及机械制造领域中得到广泛应用。

  2、可再生能源:扬杰DGW25N120CTL模块可用于太阳能和风能发电系统中的功率转换和逆变应用。通过将可再生能源转化为可用的交流电源,该模块为清洁能源的利用提供了重要的支持。

  3、交通运输:在电动汽车和混合动力汽车中,扬杰DGW25N120CTL模块可用于驱动电机和电池管理系统。它的高性能和可靠性确保了汽车的高效能耗和长寿命。

  4、电力传输与配电:该模块在电力传输与配电系统中可用于变流器、逆变器和电网互连应用。通过提供高效能源转换和稳定性能,扬杰DGW25N120CTL模块有助于优化电力传输过程,并提高电力网络的可靠性。

            

热品推荐

特锐祥贴片陶瓷Y5U561M安规成人午夜网站 厂家直售

特锐祥贴片陶瓷Y5U561M安规成人午夜网站 厂家直售

产品类型:Y2成人午夜网站 产品型号:Y2 561M/250V 产品描述:SMD-Y2-Y5U561M/AC250V 封装:4.3*3.5*2.2 品牌:特锐祥 封装/外壳:塑料封装 L 管脚贴片 产品应用:主要用于家用电器、充电器 规格书下载
插件固态成人午夜网站1000UF 6.3V 8* 8 免费拿样

插件固态成人午夜网站1000UF 6.3V 8* 8 免费拿样

产品系列:固态成人午夜网站 产品型号:1000UF 6.3V 8*8 产品描述:6.3V 8*8 品牌:FRX 产品应用:通用DC-DC调节器
长寿命弯脚 400V120UF  高品质电解成人午夜网站供应

长寿命弯脚 400V120UF  高品质电解成人午夜网站供应

产品系列:电解成人午夜网站 产品型号:长寿命电解成人午夜网站 产品描述:尺寸可定制 400uF 120V 封装:铝电解 品牌:NOBLE 产品应用:家用电器
X2安规成人午夜网站 335K/AC275V 脚距10mm成人午夜网站

X2安规成人午夜网站 335K/AC275V 脚距10mm成人午夜网站

产品类型:X成人午夜网站 产品型号:X2 335K/AC275V   本体宽度:13mm 本体脚距:10mm 本体厚度:8mm 品牌:特锐祥 封装/外壳:塑料封装 L 管脚贴片 产品应用:家用电器 规格书下载
8N65高压mos管 场效应管SMF8N65

8N65高压mos管 场效应管SMF8N65

产品类型:场效应管 产品型号:SMF8N65 产品描述:8A 650V TO-220F塑封 封装:TO-220F 品牌:FRX 产品应用:高压NPN型MOS管,高频开关电源,高速功率开关应用。应用于电源开关、LED照明等 规格书下载
天电TD356C(T1)-G午夜视频污在线观看代替亿光EL357C

天电TD356C(T1)-G午夜视频污在线观看代替亿光EL357C

产品类型:午夜视频污在线观看 产品型号:TD356C(T1)-G 运转方式:代替亿光EL357C 封装:SOP-4 品牌:天电 产品应用:主要用于手机充电器、电源适配器、LED电源等。 规格书下载
MSB40M整流桥堆  4A软桥厂家

MSB40M整流桥堆  4A软桥厂家

产品类型:桥堆、软桥 产品型号:MSB40M 产品描述:4A 1000V MSB407 MSB 封装:MSB 品牌:新邦微XBW 产品应用:主要用于手机充电器、电源适配器、LED电源等。 规格书下载
特锐祥正品 插件陶瓷Y5P151K 250V成人午夜网站

特锐祥正品 插件陶瓷Y5P151K 250V成人午夜网站

产品类型:Y2成人午夜网站 产品型号:Y2 471M/250V 产品描述:SMD-Y2-Y5U471M/AC250V 封装:4.3*3.5*2.2 品牌:特锐祥 封装/外壳:塑料封装 L 管脚贴片 产品应用:主要用于家用电器、充电器 规格书下载
全新原装牛角型820uf 450V硬脚电解成人午夜网站

全新原装牛角型820uf 450V硬脚电解成人午夜网站

产品系列:电解成人午夜网站 产品型号:牛角型电解成人午夜网站 产品描述:尺寸可定制 820uF 450V 封装:铝电解 品牌:NOBLE 产品应用:家用电器
肖特基二极管SS54 5A 40V SMA/SMB/SMC

肖特基二极管SS54 5A 40V SMA/SMB/SMC

产品类型:二极管 产品型号:SS54 产品描述:5A 40V 550mV@5A 产品封装:SMA/SMB/SMC 产品品牌:新邦微 产品应用:小家电、数码产品、电源产品及工控等 规格书下载
瞬态抑制二极管SMF5.0CA SOD-123FL

瞬态抑制二极管SMF5.0CA SOD-123FL

产品类型:TVS二极管 产品型号:SMF5.0CA 产品描述:4.6*1.5*2.9 产品封装:SOD-123FL 产品品牌:新邦微XBW 产品应用:主要应用于数码产品、传感器、变速器、工控回路、续电器、接触器噪音的抑制等各个领域
贴片稳压二极管BZX584C6V8 6.8V SOD-523

贴片稳压二极管BZX584C6V8 6.8V SOD-523

产品类型:塑封稳压二极管 产品型号:BZX584C6V8 产品描述:6.8V 丝印Z5 封装:SOD-523 品牌:星海 产品应用:由于具有稳压作用,广泛用在稳压电源、电子点火器、直流电平平移、限幅电路、过压保护电路、补偿电路等当中。 规格书下载
1N4148W开关二极管 新邦微原厂直销

1N4148W开关二极管 新邦微原厂直销

产品类型:二极管 产品型号:1N4148W 产品描述:75V 0.15A T4 SOT-23 封装:SOT-23 品牌:新邦微XBW 产品应用:超高速开关应用。应用广泛。应用于电子设备、数码、通讯等。 规格书下载
BAV70贴片二极管 新邦微高速开关二极管

BAV70贴片二极管 新邦微高速开关二极管

产品类型:二极管 产品型号:BAV70 产品描述:75V 0.15A T4 封装:SOT-23 品牌:新邦微XBW 产品应用:超高速开关应用。应用广泛。应用于电子设备、数码、通讯等。 规格书下载
BAV99开关二极管 新邦微100%原装正品

BAV99开关二极管 新邦微100%原装正品

产品类型:二极管 产品型号:BAV99 产品描述:75V 0.15A T4 产品封装:SOT-23 产品品牌:新邦微XBW 产品应用:超高速开关应用。应用广泛。应用于电子设备、数码、通讯等。 规格书下载
新邦微MMBD4148CA开关二极管

新邦微MMBD4148CA开关二极管

产品类型:二极管 产品型号:MMBD4148CA 产品描述:75V 0.2A A1 产品封装:SOT-23 产品品牌:新邦微XBW 产品应用:超高速开关应用。应用广泛。应用于电子设备、数码、通讯等。 规格书下载
新邦微BAW56原装现货贴片开关二极管

新邦微BAW56原装现货贴片开关二极管

产品类型:二极管 产品型号:BAW56 产品描述:75V 0.215A A7 产品封装:SOT-23 产品品牌:新邦微XBW 产品应用:超高速开关应用。应用广泛。应用于电子设备、数码、通讯等。 规格书下载
SMA封装 新邦微贴UF1M片二极管

SMA封装 新邦微贴UF1M片二极管

产品类型:快恢复二极管 产品型号:UF1M 封装:SMA 品牌:新邦微XBW 产品应用:塑料封装型通用硅材料。广泛应用于各种交流变直流的整流电路中。也用于桥式整流电路。 规格书下载
新邦微RS2M贴片快恢复二极管 厂家直售

新邦微RS2M贴片快恢复二极管 厂家直售

产品类型:二极管 产品型号:RS2M 产品描述:2A 1000V  封装:SMA 品牌:新邦微XBW 产品应用:广泛应用于开关电源、LED电源、变频器、驱动器等电路 规格书下载
新邦微SMB封装 FR1M快恢复二极管高质价优

新邦微SMB封装 FR1M快恢复二极管高质价优

产品类型:二极管 产品型号:FR1M 产品描述:1A 1000V FR1M SMB 封装:SMA 品牌:新邦微XBW 产品应用:广泛应用于开关电源、LED电源、变频器、驱动器等电路 规格书下载
新邦微US1M快恢复二极管

新邦微US1M快恢复二极管

产品类型:快恢复二极管 产品型号:US1M 产品描述:1A 1000V 封装:SMA 品牌:新邦微XBW 产品应用:广泛应用于开关电源、LED电源、变频器、驱动器等电路 规格书下载
新邦微RS1M贴片二极管 O元拿样

新邦微RS1M贴片二极管 O元拿样

产品类型:二极管 产品型号:RS1M 封装:SMA 品牌:新邦微XBW 产品应用:广泛应用于开关电源、LED电源、变频器、驱动器等电路 规格书下载
新邦微M7整流二极管 SMA封装厂家直售

新邦微M7整流二极管 SMA封装厂家直售

产品类型:整流二极管 产品型号:M7 封装:SMA 品牌:新邦微XBW 产品应用:塑料封装型通用硅材料。广泛应用于各种交流变直流的整流电路中。也用于桥式整流电路。 规格书下载
新邦微SOD-123FL封装 1N4007W整流二极管

新邦微SOD-123FL封装 1N4007W整流二极管

产品类型:二极管 产品型号:1N4007W 封装:SOD-123FL 品牌:新邦微XBW 产品应用:塑料封装型通用硅材料。广泛应用于各种交流变直流的整流电路中。也用于桥式整流电路。 规格书下载
新邦微1N5399整流二极管 高质价优

新邦微1N5399整流二极管 高质价优

产品类型:二极管 产品型号:1N5399 产品描述:1.5A 1000V DO-15 封装:DO-15 品牌:新邦微XBW 产品应用:塑料封装型通用硅材料。广泛应用于各种交流变直流的整流电路中。也用于桥式整流电路。 规格书下载
新邦微1N4007整流二极管 原装正品

新邦微1N4007整流二极管 原装正品

产品类型:二极管 产品型号:1N4007 产品描述:1A 1000V DO-41 封装:DO-41 品牌:新邦微XBW 产品应用:塑料封装型通用硅材料。广泛应用于各种交流变直流的整流电路中。也用于桥式整流电路。 规格书下载
新邦微1N5408整流二极管 DO-41现货速发

新邦微1N5408整流二极管 DO-41现货速发

产品类型:二极管 产品型号:1N4008 产品描述:1A 1000V DO-41 封装:DO-41 品牌:新邦微XBW 产品应用:塑料封装型通用硅材料。广泛应用于各种交流变直流的整流电路中。也用于桥式整流电路。 规格书下载
肖特基贴片二极管1N5819W SOD-123

肖特基贴片二极管1N5819W SOD-123

产品类型:二极管 产品型号:1N5819W 产品描述:1A 40V  丝印SL 封装:SOD-123 品牌:新邦微XBW 产品应用:用于低压、高频逆变器;自由转动和极性保护应用 规格书下载

联系午夜家庭影院

  • 电话:138-2353-9691
  • QQ:397540463
  • 邮箱:397540463@qq.com
  • 地址:深圳市宝安区西乡大道302号金源商务大厦B座301
网站地图